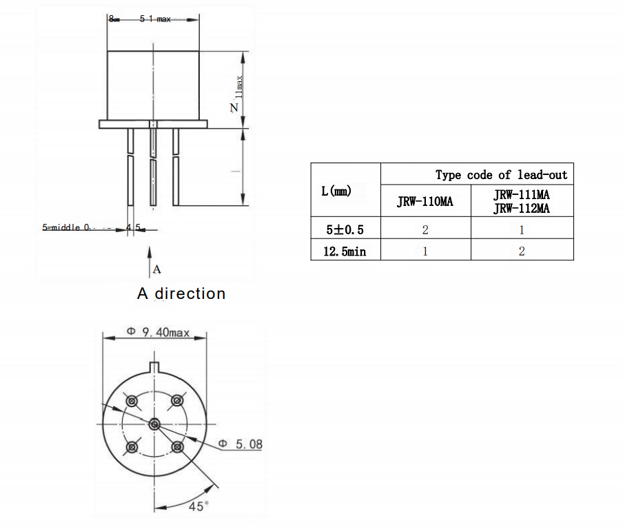
مدل شماره: JRC-110MA TO-5
نام تجاری: YM
Output: Dc
Relay Type: Telecom
Ambient Temperature: -55℃~85℃
Sinusoidalvibration: 15g,(10~2000)Hz
Random Vibration: 0.2g²/Hz,169.1m/s²
Cyclone: 4kPa
Coil Powerconsumption: Power consumption: (0.29 ~ 0.40) W Dielectric withstand voltage Normal atmospheric pressure: 500Vr.m.s., 50Hz Under low pressure: 125Vr.m.s., 50Hz Contact load and life Resistance, 1A,28 Vd.c., 2×10⁴ times Resistance, 0.5A,28 Vd.c., 1×10⁵ times Low level,
Dielectricwithstandvoltage: Normal atmospheric pressure: 500Vr.m.s., 50Hz Under low pressure: 125Vr.m.s., 50Hz Contact load and life Resistance, 1A,28 Vd.c., 2×10⁴ times Resistance, 0.5A,28 Vd.c., 1×10⁵ times Low level, (10-50) μA, (10-50) mV, 1×10⁵ times insulation resistance N o r
Contact Load Andlife: Resistance, 1A,28 Vd.c., 2×10⁴ times Resistance, 0.5A,28 Vd.c., 1×10⁵ times Low level, (10-50) μA, (10-50) mV,1×10⁵ times
مقاومت عایق: ≥ 1 0 0 0 0 0 MQ
مقاومت در برابر تماس: مقدار اولیه ≤100mQ تست عمر پس از ≤200mΩ
Weight: ≤2.3g
سفتی: نرخ نشت ≤10³ Pa ·cm³/s
رله فلزی نظامی JRC-110MA نشان دهنده فناوری جایگزینی مهندسی شده با دقت است که به طور خاص به عنوان جایگزینی مستقیم با عملکرد مناسب برای رله های مشهور سری Teledyne 411D توسعه یافته است. این رله آب بندی فلزی نظامی که با سازگاری با پکیج TO-5 و عملکرد 27 ولت DC مهندسی شده است، جایگزین عملکرد معتبری را برای سیستم های قدیمی نظامی، هوافضا و صنعتی با قابلیت اطمینان بالا ارائه می دهد که در آن اجزای اصلی Teledyne منسوخ شده یا در دسترس نیستند، در حالی که مشخصات مکانیکی و الکتریکی دقیق مورد نیاز برای یکپارچه سازی سیستم بدون درز را حفظ می کند.




JRC-110MA به عنوان یک جایگزین مستقیم برای رله های سری Teledyne 411D طراحی شده است که ابعاد بسته TO-5، پیکربندی پین و مشخصات الکتریکی را حفظ می کند. این قابلیت جایگزینی معتبر راه حلی قابل اعتماد برای سیستم هایی ارائه می دهد که اجزای اصلی Teledyne دیگر در دسترس نیستند، که از سازگاری رله های DC هوانوردی عمومی یا رله های برد PCB استاندارد پیشی می گیرد.
این رله با بسته بندی استاندارد صنعتی TO-5، سازگاری با چیدمان PCB موجود، سخت افزار نصب و سیستم های مدیریت حرارتی طراحی شده برای سری اصلی 411D را حفظ می کند. این استانداردسازی یکپارچگی یکپارچه را بدون طراحی مجدد مدار تضمین میکند، برخلاف بسیاری از رلههای مدرن خودرو یا رلههای فلش تخصصی با فاکتورهای فرم متفاوت.
با حفظ سازگاری دقیق مکانیکی و الکتریکی، JRC-110MA از تکنیکهای ساخت مدرن و بهبود مواد استفاده میکند که قابلیت اطمینان را فراتر از طرح اصلی 411D افزایش میدهد. این پیشرفت ها شامل مواد تماس پیشرفته برای کاهش سایش و عایق سیم پیچ تقویت شده برای عمر طولانی تر است.
دانش تخصصی ما در زمینه جایگزینی قطعات قدیمی، که از طریق کار گسترده با رلههای الکترومغناطیسی نظامی و رلههای چسباننده مغناطیسی مهر و موم شده توسعه یافته است، تضمین میکند که هر JRC-110MA عملکرد معتبری را ارائه میکند در حالی که پیشرفتهای قابلیت اطمینان مدرن را که در طراحی اصلی موجود نیست، در خود جای داده است.
JRC-110MA برای برآورده کردن یا فراتر از مشخصات اصلی Teledyne 411D ساخته شده است:
YUMU Electronics تخصص تخصصی خود را در زمینه جایگزینی قطعات قدیمی، اعمال کنترلهای کیفی دقیق که از طریق تولید رله پلاریزه JH-2S ، رلههای برق صنعتی ، و سایر قطعات نظامی تخصصی ایجاد شده است، حفظ میکند.
هر JRC-110MA برای اطمینان از قابلیت جایگزینی معتبر، تحت ساخت تخصصی قرار می گیرد:
بله، JRC-110MA به عنوان جایگزینی مستقیم با عملکرد مناسب با ابعاد بسته TO-5، پیکربندی پین، مشخصات الکتریکی و مشخصات عملکرد مهندسی شده است و از یکپارچگی یکپارچه بدون تغییرات مدار اطمینان حاصل می کند.
هر دسته تولیدی تحت آزمایشات جامعی از جمله تأیید ابعاد، تطبیق پارامترهای الکتریکی، آزمایش محیطی با مشخصات اصلی و آزمایش عملکردی در مدارهای طراحی شده برای رلههای 411D برای تأیید سازگاری جایگزینی قرار میگیرد.
در حالی که طراحیهای رله 27 ولتی 8 پین DPDT مدرن پیکربندیها و بستههای مختلفی را ارائه میدهند، JRC-110MA به طور خاص بسته TO-5 و ویژگیهای الکتریکی سری Teledyne 411D اصلی را برای سازگاری با سیستم قدیمی که در آن استانداردسازی بستهها حیاتی است، حفظ میکند.
ما توانایی تولید قطعات جایگزین قدیمی را با زمانهای معمول 4-6 هفته حفظ میکنیم. تولید اولویت را می توان برای الزامات پایدار سیستم فوری ترتیب داد.
بله، تیم مهندسی ما در جایگزینی قطعات قدیمی متخصص است و می تواند راه حل هایی را برای قطعات نظامی و هوافضای منسوخ مختلف بر اساس نیاز مشتری و مستندات فنی موجود ایجاد کند.